Wr450f wr wr450 enduro yz supermoto deel
Table of Contents
Table of Contents
If you’re a bike enthusiast or a professional mechanic, you must have heard of wr450f wiring diagrams. These diagrams are an important part of the process to ensure that your bike is working properly, and they provide a guide to help you fix any issues that may arise. Whether you’re new to biking or an old pro, understanding wr450f wiring diagrams is essential for keeping your bike in top shape.
Pain Points
When it comes to working on your bike, there are few things more frustrating than trying to identify a wiring issue. Not only can it be hard to determine the cause of the issue, but it can also be difficult to find the wiring diagram you need to make the necessary repairs. This complicated process can lead to a lot of wasted time and frustration.
What is Wr450F Wiring Diagram?
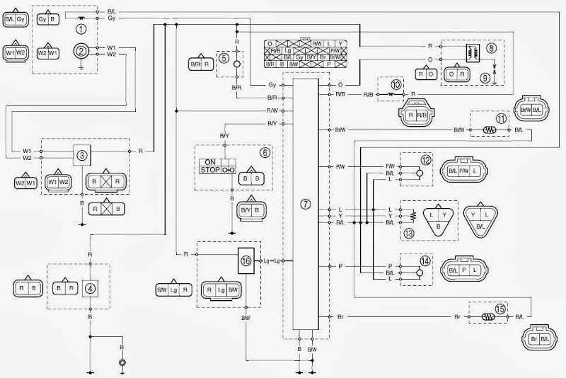
A wr450f wiring diagram is a visual representation of the electrical system on a Yamaha wr450f bike. It shows the various components of the system and how they are connected. This diagram is essential for anyone who needs to diagnose and repair electrical issues on their bike. Without a wiring diagram, it can be very difficult to identify the cause of an electrical issue or to make the necessary repairs.
Summary
Wr450f wiring diagrams are an essential part of any mechanic’s tool kit. They provide a visual guide for diagnosing and repairing electrical issues on Yamaha wr450f bikes. Without this valuable tool, it can be difficult to identify the root cause of an issue and make the necessary repairs.
Target Audience and Personal Experience
If you’re a bike enthusiast like me, you know how important it is to have a good wiring diagram on hand. I’ve worked on many bikes over the years, and I can tell you from personal experience that having a clear and concise wiring diagram can make a huge difference. When I first started working on bikes, I struggled to identify and fix electrical issues. But once I started using wiring diagrams, everything became much easier.
For anyone who works on bikes regularly, wr450f wiring diagrams are an essential tool. These diagrams provide a clear path for diagnosing and repairing electrical issues on Yamaha wr450f bikes. With a wiring diagram in hand, you can quickly and easily identify the root cause of an issue and make the necessary repairs.
Benefits of Wr450F Wiring Diagram
The benefits of using wr450f wiring diagrams are numerous. For one, they make it much easier to identify and diagnose electrical issues on your bike. This saves you time and money, as you can quickly make repairs without having to take your bike to a mechanic. Additionally, using a wiring diagram can help you avoid making costly mistakes that can damage your bike’s electrical system.
Working with Wr450F Wiring Diagrams
Working with wr450f wiring diagrams requires some basic knowledge of electrical systems and how they work. If you’re new to working with electrical systems, it’s a good idea to take some time to familiarize yourself with the basics. You’ll also need to be comfortable using a multimeter, as this tool is essential for testing electrical components and circuits.
Best Practices for Wr450F Wiring Diagrams
When working with a wr450f wiring diagram, it’s important to follow some best practices to ensure that your repairs are successful. Here are some tips to keep in mind:
- Always double-check your work before reassembling the bike.
- Label all electrical components and wires to make reassembly easier.
- Use a multimeter to test electrical components and circuits to ensure that they are working properly.
- Never attempt to make repairs if you’re not certain what you’re doing.
Question and Answer
Q: How do I know if I need to use a wr450f wiring diagram?
A: If you’re experiencing electrical issues on your Yamaha wr450f bike, you’ll likely need to use a wiring diagram to identify and diagnose the problem. If you’re not sure whether you need a wiring diagram, consult your owner’s manual or a professional mechanic.
Q: Where can I find a wr450f wiring diagram?
A: Wr450f wiring diagrams can be found online or in your owner’s manual. There are also many books and resources available that include wiring diagrams for Yamaha bikes.
Q: Can I make modifications to my bike’s electrical system using a wr450f wiring diagram?
A: While it’s possible to make modifications to your bike’s electrical system, it’s important to do so carefully and with a complete understanding of the system. Making modifications without a clear understanding of the electrical system can lead to serious damage and safety hazards.
Q: Do I need to have electrical experience to work with a wr450f wiring diagram?
A: While some electrical knowledge is helpful, it’s not necessary to have extensive experience to work with a wiring diagram. With some basic knowledge of electrical systems and careful attention to detail, anyone can successfully use a wiring diagram to diagnose and repair electrical issues on their bike.
Conclusion
Wr450f wiring diagrams are an essential tool for anyone who works on Yamaha wr450f bikes. These diagrams provide a clear and concise visual guide for diagnosing and repairing electrical issues. By following best practices and taking the time to understand your bike’s electrical system, you can make repairs quickly and confidently.
Gallery
Wr450F Wiring Diagram : Yamaha Yb100 Wiring Diagram - Wiring Diagram

Photo Credit by: bing.com / wr450f wr250f yb100 schemas
Wr450f Wiring Diagram - Wiring Diagram Schemas

Photo Credit by: bing.com / wiring wr450f diagram harness wr450 2004
Wr450f Wiring Diagram - Wiring Diagram Schemas

Photo Credit by: bing.com / wiring diagram suzuki 1400 vs 2003 marauder wr450f vz800 vs1400 switch bike staticflickr diagrams flickr maytag refrigerator pump colored intruders
Wr450f Wiring Diagram

Photo Credit by: bing.com / wiring diagram wr450f yamaha wr400f stator wr426f pdf system charging mod dc without wrf manual motorcycle service legal wr426 450f
LZK Wiring Diagram 2004 Wr450f CBK0

Photo Credit by: bing.com / wr450f wr wr450 enduro yz supermoto deel
GYTR Tuner Can’t Communicate With The ECU ? - WR 400/426/450 - ThumperTalk

Photo Credit by: bing.com / ecu diagram wiring wr gytr tuner yz450f which wire light goes schematic wires connector red 20wiring 20diagram
Wr450 Wiring Diagram

Photo Credit by: bing.com / wiring diagram wr450f yamaha wr450 2005
️Wr250f Wiring Diagram Free Download| Goodimg.co

Photo Credit by: bing.com /
Wr450f Wiring Diagram

Photo Credit by: bing.com / wiring diagram xj yamaha motorcycle wr450f chopcult chopper bobber help needed electrical wr coli location greeny pm posted comments choose
Wr450f Wiring Diagram - Wiring Diagram Schemas
Photo Credit by: bing.com / wr450f wr250f 2005 stator upgrade adr wr thumpertalk 450f





